101137379
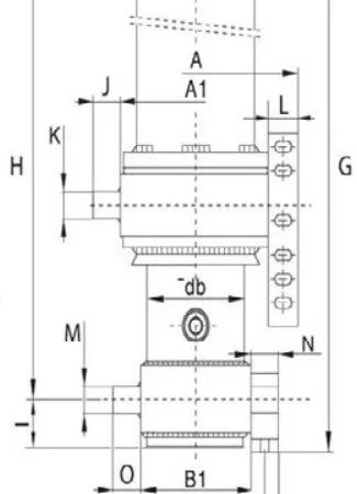
Гидроцилиндр 3-х штоковый (FC129-3-3880) - фото № 1
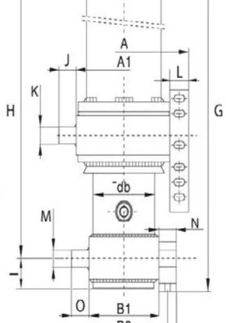
Гидроцилиндр 3-х штоковый (FC129-3-3880) - фото № 2
Опубликовано 2025-11-01 в

Гидроцилиндр 3-х штоковый (FC129-3-3880)

0 €

Описание

Гидроцилиндр 3-х штоковый,фронтальный с внешним кожухом номинальное давление: 190 бар общая длина в раскрытом состоянии 3880 мм диаметр первого штока: 129 мм Грузоподъемность:  28 т кол-во штоков: 3 тип крепления: наружное Купить фронтальный гидроцилиндр  на 3 штоков можно в Киеве по индивидуальному чертежу и заказу, мы привезем гидроцилиндр специально под ваш автомобиль.

ID101137379
Просмотров10
г. Тернополь, Тернопольская обл.

Похожие объявления

Смотреть все
Розпилювач 5х0, 3х130, двигун NVD 26А3
Продажа

Розпилювач 5х0, 3х130, двигун NVD 26А3

Розпилювач 5х0,3х130 ,двигун NVD 26А3 з наявності. Наш телеграм: Prime Ship Supply Також розміщуйте безкоштовно свої оголошення на дошці нашого сайту. Наше підприємство - ПП «Праймпостачсервіс» - протягом 15 років здійснює діяльність у сфері виробництва і постачання товарів та надання послуг для потреб судноремонту та суднобудування. Основними напрямками нашої діяльності є: - виробництво і реставрація втулок Гудрича (підшипників гумо-металевих) для валової лінії суден, усіх типо-розмірів згідно з ГОСТ 7199-77, а також нестандартних згідно з ескізами і креслениками замовника; - виробництво сегментів гумо-металевих для валової лінії суден; - виробництво трубок паливних одноконтурних і двоконтурних для дизельних двигунів (Д6, Д12, NVD-48, NVD-36, NVD-24, Шкода S-160 і S-275, 4Ч8,5/11, 4Ч10,5/13, 6Ч12/14 та будь яких інших); - виробництво блоків гумових упорних амортизаційних для буксирів; - виробництво будь-яких формових гумо-технічних виробів, як серійно, так і за індивідуальним замовленням, згідно із зразками та/або креслениками замовника; - виробництво відповідно до вимог та креслеників замовників прокладок паронітових та метало-азбестових для ДВС(Застосування прокладок:для головок блоку циліндрів; для впускних та випускних колекторів; інші). - постачання із наявності та під замовлення запчастин для дизельних двигунів Д6, Д12, NVD-48, NVD-36, NVD-24, Шкода S-160 і S-275, 4Ч8,5/11, 4Ч10,5/13, 6Ч12/14 та ін; - надання широкого спектру шипчандлерських послуг. Працюємо якісно, прозоро і оперативно. На всі товари та послуги надаємо гарантію. 

с. Жильжа, Ровенская обл. 01-11-25
590 грн.
с. Жильжа, Ровенская обл. 01-11-25
Зображення за замовченням категорії Запчасти к разной с/х технике
Продажа

Розпилювач 8х0, 3х145, двигун NVD 26/20

Розпилювач 8х0,3х145,двигун NVD 26/20. Наш телеграм: Prime Ship Supply Також розміщуйте безкоштовно свої оголошення на дошці нашого сайту. Наше підприємство - ПП «Праймпостачсервіс» - протягом 15 років здійснює діяльність у сфері виробництва і постачання товарів та надання послуг для потреб судноремонту та суднобудування. Основними напрямками нашої діяльності є: - виробництво і реставрація втулок Гудрича (підшипників гумо-металевих) для валової лінії суден, усіх типо-розмірів згідно з ГОСТ 7199-77, а також нестандартних згідно з ескізами і креслениками замовника; - виробництво сегментів гумо-металевих для валової лінії суден; - виробництво трубок паливних одноконтурних і двоконтурних для дизельних двигунів (Д6, Д12, NVD-48, NVD-36, NVD-24, Шкода S-160 і S-275, 4Ч8,5/11, 4Ч10,5/13, 6Ч12/14 та будь яких інших); - виробництво блоків гумових упорних амортизаційних для буксирів; - виробництво будь-яких формових гумо-технічних виробів, як серійно, так і за індивідуальним замовленням, згідно із зразками та/або креслениками замовника; - виробництво відповідно до вимог та креслеників замовників прокладок паронітових та метало-азбестових для ДВС(Застосування прокладок:для головок блоку циліндрів; для впускних та випускних колекторів; інші). - постачання із наявності та під замовлення запчастин для дизельних двигунів Д6, Д12, NVD-48, NVD-36, NVD-24, Шкода S-160 і S-275, 4Ч8,5/11, 4Ч10,5/13, 6Ч12/14 та ін; - надання широкого спектру шипчандлерських послуг. Працюємо якісно, прозоро і оперативно. На всі товари та послуги надаємо гарантію. 

с. Жильжа, Ровенская обл. 02-11-25
590 грн.
с. Жильжа, Ровенская обл. 02-11-25
Зображення за замовченням категорії Запчасти к разной с/х технике
Продажа

Розпилювач 7х0, 3х130, двигун NVD 36/24

Розпилювач 7х0,3х130,двигун NVD 36/24 з наявності. Наш телеграм: Prime Ship Supply Також розміщуйте безкоштовно свої оголошення на дошці нашого сайту. Наше підприємство - ПП «Праймпостачсервіс» - протягом 15 років здійснює діяльність у сфері виробництва і постачання товарів та надання послуг для потреб судноремонту та суднобудування. Основними напрямками нашої діяльності є: - виробництво і реставрація втулок Гудрича (підшипників гумо-металевих) для валової лінії суден, усіх типо-розмірів згідно з ГОСТ 7199-77, а також нестандартних згідно з ескізами і креслениками замовника; - виробництво сегментів гумо-металевих для валової лінії суден; - виробництво трубок паливних одноконтурних і двоконтурних для дизельних двигунів (Д6, Д12, NVD-48, NVD-36, NVD-24, Шкода S-160 і S-275, 4Ч8,5/11, 4Ч10,5/13, 6Ч12/14 та будь яких інших); - виробництво блоків гумових упорних амортизаційних для буксирів; - виробництво будь-яких формових гумо-технічних виробів, як серійно, так і за індивідуальним замовленням, згідно із зразками та/або креслениками замовника; - виробництво відповідно до вимог та креслеників замовників прокладок паронітових та метало-азбестових для ДВС(Застосування прокладок:для головок блоку циліндрів; для впускних та випускних колекторів; інші). - постачання із наявності та під замовлення запчастин для дизельних двигунів Д6, Д12, NVD-48, NVD-36, NVD-24, Шкода S-160 і S-275, 4Ч8,5/11, 4Ч10,5/13, 6Ч12/14 та ін; - надання широкого спектру шипчандлерських послуг. Працюємо якісно, прозоро і оперативно. На всі товари та послуги надаємо гарантію. 

с. Жильжа, Ровенская обл. 02-11-25
590 грн.
с. Жильжа, Ровенская обл. 02-11-25
Розпилювач Сб3317-01-4А (8х0, 3х140) для Д6, Д12, УТД20, 6ч(н)18/22
Продажа

Розпилювач Сб3317-01-4А (8х0, 3х140) для Д6, Д12, УТД20, 6ч(н)18/22

Розпилювач 8х0.3х140, ДВЗ Д6,Д12,УТД20,6ч(н)18/22  Креслення:Сб3317-01-4А Наш телеграм: Prime Ship Supply Наше підприємство - ПП «Праймпостачсервіс» - протягом 15 років здійснює діяльність у сфері виробництва і постачання товарів та надання послуг для потреб судноремонту та суднобудування. Основними напрямками нашої діяльності є: - виробництво і реставрація втулок Гудрича (підшипників гумо-металевих) для валової лінії суден, усіх типо-розмірів згідно з ГОСТ 7199-77, а також нестандартних згідно з ескізами і креслениками замовника; - виробництво сегментів гумо-металевих для валової лінії суден; - виробництво трубок паливних одноконтурних і двоконтурних для дизельних двигунів (Д6, Д12, NVD-48, NVD-36, NVD-24, Шкода S-160 і S-275, 4Ч8,5/11, 4Ч10,5/13, 6Ч12/14 та будь яких інших); - виробництво блоків гумових упорних амортизаційних для буксирів; - виробництво будь-яких формових гумо-технічних виробів, як серійно, так і за індивідуальним замовленням, згідно із зразками та/або креслениками замовника; - постачання із наявності та під замовлення запчастин для дизельних двигунів Д6, Д12, NVD-48, NVD-36, NVD-24, Шкода S-160 і S-275, 4Ч8,5/11, 4Ч10,5/13, 6Ч12/14 та ін; - надання широкого спектру шипчандлерських послуг. Працюємо якісно, прозоро і оперативно. На всі товари та послуги надаємо гарантію. 

с. Жильжа, Ровенская обл. 02-11-25
279 грн.
с. Жильжа, Ровенская обл. 02-11-25
Ваша жалоба отправлена
Повторно обьявление можно будет прорекламировать когда закончиться действие вашего текущего пакета
Сообщение отправлено