101130652
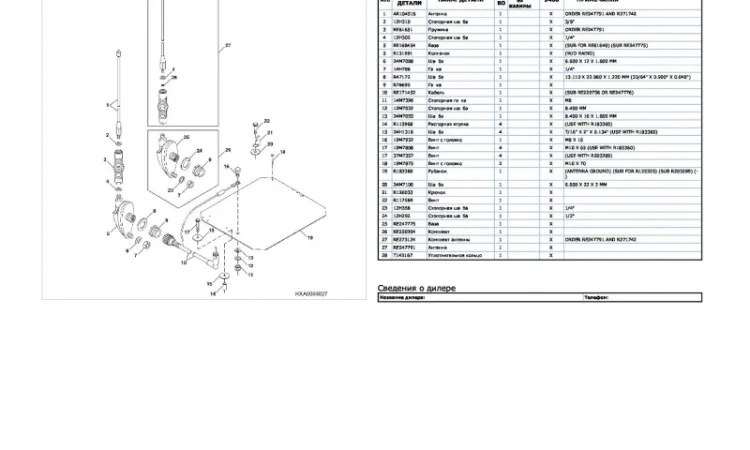
Каталог запчастей трактор Джон Дир 9400 - John Deere 9400 на русском языке - фото № 1
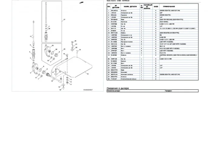
Каталог запчастей трактор Джон Дир 9400 - John Deere 9400 на русском языке - фото № 2
Опубліковано 2025-11-01 в

Каталог запчастей трактор Джон Дир 9400 - John Deere 9400 на русском языке

2 500 грн.

Опис

Каталог запчастей трактор Джон Дир 9400 - John Deere 9400 на русском языке. Каталог запчастей трактора Джон Дир 9400 - это 100%-ая страховка от ошибок при покупке необходимых деталей для технического обслуживания или ремонта. С оригинальным каталожным кодом больше не нужно объясняться на пальцах с менеджерами фирм торгующих запчастями. За счет увеличения количества поставщиков можно заказывать лучшие запчасти в разы дешевле в кратчайшие сроки. У Вас есть возможность оплатить каталог при получении. Заказать по телефону О975589272 Каталог оригинальных запчастей трактора Джон Дир 9400 - это надежная защита от ошибок при выборе необходимых деталей для ТО или ремонта. С оригинальным каталожным кодом больше не нужно разъясняться на пальцах с поставщиками. За счет увеличения количества поставщиков можно заказывать самые качественные запчасти в разы дешевле в минимальные сроки. Предлагаем вашему вниманию печатную вариацию в виде книги, которая считается наиболее продуктивной в полевых условиях системы сельскохозяйственного производства. Книга постоянно под рукой и готова к работе. Она не требует умения работы с ними компьютера, специальных программ, сети интернет подключения к электроэнергии. С каталогом запчастей можно закупать детали на в разы дешевле. Все поставщики работают только по оригинальному каталожному номеру. Каталожный номер позволяет расширить количество фирм торгующих запчастями по максимуму. При увеличении количества предложений можно делать выбор из наиболее привлекательных позиций. Относительно условий поставки выборе между оригиналом и более дешевым аналогом, качества,цены, сроков поставок,. Как показала наша практика, поставки запчастей с каталожным номером благоприятно влияет не только на работу конкретной модели, а и на повышение эффективности всего производства, так как сокращается время простоя, и соответственно увеличивается культура труда и качество готовой продукции. Каталоги запчастей к остальным моделям Джон Дир и технике других производителей можно заказать по телефону или на наших сайтах

ID101130652
Переглядів17
м. Одеса, Одеська обл.

Схожі оголошення

Дивитись усі
Запчастини Дойц, Deutz 913, 1013, 1011, 2013
Продаж

Запчастини Дойц, Deutz 913, 1013, 1011, 2013

Запчастини Дойц, Deutz 913, 1013, 1011, 2013, 2012 У нас можна купити: гільзо-поршнева група (поршні, гільзи, кільця); вкладиші корінні і шатунні; водяні насоси і термостати; генератори і стартери; клапана і направляючі; корзини і диски зчеплення; прокладки двигуна; турбіни і компресори; шатуни і втулки; ремкомплекти і фільтри. Доставка запчастин перевізниками в усі регіони країни.

м. Тернопіль, Тернопільська обл. 08-02-26
5 450 грн.
м. Тернопіль, Тернопільська обл. 08-02-26
Запчастини Deutz 913, 1013, 1011, 2013
Продаж

Запчастини Deutz 913, 1013, 1011, 2013

Запчастини двигуна Дойц, Deutz 913, 1013, 1011, 2013, 2012 У нас можна купити: гільзо-поршнева група (поршні, гільзи, кільця); вкладиші корінні і шатунні; водяні насоси і термостати; генератори і стартери; клапана і направляючі; корзини і диски зчеплення; прокладки двигуна; турбіни і компресори; шатуни і втулки; ремкомплекти і фільтри. Доставка запчастин перевізниками в усі регіони країни.

м. Луцьк, Волинська обл. 08-02-26
2 650 грн.
м. Луцьк, Волинська обл. 08-02-26
Запчастини Mercedes OM 364, OM 366, OM 904, OM 906
Продаж

Запчастини Mercedes OM 364, OM 366, OM 904, OM 906

Запчастини двигуна Mercedes OM 314, OM 352, OM 364, OM 366, OM 904, OM 906 У нас можна купити: гільзо-поршнева група (поршні, гільзи, кільця); вкладиші корінні і шатунні; водяні насоси і термостати; генератори і стартери; клапана і направляючі; корзини і диски зчеплення; прокладки двигуна; турбіни і компресори; шатуни і втулки; ремкомплекти і фільтри. Доставка запчастин перевізниками в усі регіони країни.

м. Житомир, Житомирська обл. 08-02-26
2 985 грн.
м. Житомир, Житомирська обл. 08-02-26
Запчастини для DAF, MAN, Mercedes, Renault Truck
Продаж

Запчастини для DAF, MAN, Mercedes, Renault Truck

Запчастини для DAF, MAN, Mercedes, Renault Truck, Iveco, Volvo, Scania У нас можна купити: гільзо-поршнева група (поршні, гільзи, кільця); вкладиші корінні і шатунні; водяні насоси і термостати; гальмівні диски і колодки; генератори і стартери; клапана і направляючі; корзини і диски зчеплення; маточини і синхронізатори; наконечники і рульові тяги; прокладки двигуна; турбіни і компресори; шатуни і втулки; шестерні кпп і хрестовини. Доставка запчастин перевізниками в усі регіони країни.

м. Житомир, Житомирська обл. 08-02-26
985 грн.
м. Житомир, Житомирська обл. 08-02-26
Вашу скаргу надіслано
Повторно оголошення можна буде прорекламувати коли закінчиться дія вашого поточного пакета
Повідомлення відправлене