101128799
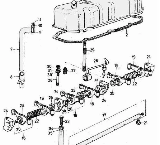
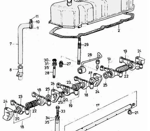
Крышка головки блока цилиндров на Двигатель Д2500к на погрузчик Балканкар - фото № 1
Опубліковано 2025-11-02 в

Крышка головки блока цилиндров на Двигатель Д2500к на погрузчик Балканкар

0 €

Опис

№ позиции № по каталогу № позиционный Наименование 1 7 479078 В4133432 Крышка головки блока цилиндров 2 6 437025 4566693565 С36811116 Уплотнение крышки головки блока цилиндров 3 7 437685 В31551085 Крышка маслоналивной горловины 4 6 238317 Гайка М10-8 БДС 1269-73/Zn 5 6 468194 В33114011 Шайба подложная 6 6 238718 Кольцо I 10x16 Al 99,5 БДС 3609-73 7 6 465330 4566692764 В33872317 Труба 8 8 434126 4566692778 В33282248 Труба сапуна 9 8 437088 4566692716 2481805 Скоба 23 ЗН-ВК 222 10 6 236465 Винт 2АМ5х20/16-5.8 БДС 832-83/Zn 11 6 234098 Гайка М5-6 БДС 744-83/фос. 17 7 470936 4566693780 В41315261 Ось коромысел 18 7 448203 4566693399 С37371307 Коромысло правое 19 7 448218 4566693400 С37371318 Коромысло левое 20 6 445682 4566692179 URB31134104 Втулка подшипника 21 6 235873 Кольцо В16х1,2 БДС 2170-77 22 6 426628 4566692636 31744101 Пружина 23 6 403074 4566692634 31743102 Пружина 24 6 422314 4566692725 37521211 Стойка оси коромысел 25 6 402131 4566692161 33117107 Втулка распорная 26 7 475355 4566693794 В35568328 Маслопровод смазки оси коромысел 27 6 230667 Штуцер навинчивающийся ЗС БДС 2240-70/фос. 28 6 235662 Шпилька А М10-6gх60 (8.8) БДС 1238-87/фос. 29 6 480988 В 32515371 Шпилька 30 6 234684 Гайка М10-8 БДС 744-83/фос. 31 6 468188 4566694228 В33114011 Шайба подложная 32 6 444938 4566693787 В31434216 Толкатель 33 6 440996 4566692081 В32151307 Болт регулирующий 34 6 234143 Гайка М10х1-6Н БДС 1269-73/8 фос. 35 6 205041 Шайба 2-10Л БДС 833-82/Zn

ID101128799
Переглядів18
с. Жильжа, Рівненська обл.

Схожі оголошення

Дивитись усі
Ремонт львовских и болгарских автопогрузчиков в Одесса
Надам послугу

Ремонт львовских и болгарских автопогрузчиков в Одесса

На нашем предприятии мы выполняем различные виды ремонта Балканкар техники:и не только Автопогрузчик Львовский и другие Погрузчики привозят со всей территории Украины +380501031063 [email protected] Viber /Watsap для иностранных государств Ремонт двигателей погрузчиков Балканкар Д2500 (Д 2500 К), Д3900 (Д 3900 К) – 3-х и 4-х цилиндровые дизельные двигатели. Ремонт КПП Балканкар – устройство коробки передач. Ремонт и регулировка ТНВД Балканкар – топливные насосы высокого давления. Ремонт топливной аппаратуры Балканкар. Ремонт гидравлики погрузчиков Балканкар – гидравлическая система, гидроцилиндры (гидравлические цилиндры). Ремонт подъемных устройств и мачт погрузчиков Балканкар. Ремонт системы рулевого управления и управляемого моста Балканкар. Полное восстановление погрузчиков Балканкар.погрузчиков Львовского завода Автопогрузчик

м. Одеса, Одеська обл. 12-03-26
Ціна договірна
м. Одеса, Одеська обл. 12-03-26
Запчастини Дойц, Deutz 913, 1013, 1011, 2013
Продаж

Запчастини Дойц, Deutz 913, 1013, 1011, 2013

Запчастини Дойц, Deutz 913, 1013, 1011, 2013, 2012 У нас можна купити: гільзо-поршнева група (поршні, гільзи, кільця); вкладиші корінні і шатунні; водяні насоси і термостати; генератори і стартери; клапана і направляючі; корзини і диски зчеплення; прокладки двигуна; турбіни і компресори; шатуни і втулки; ремкомплекти і фільтри. Доставка запчастин перевізниками в усі регіони країни.

м. Тернопіль, Тернопільська обл. 08-02-26
5 450 грн.
м. Тернопіль, Тернопільська обл. 08-02-26
Запчастини Deutz 913, 1013, 1011, 2013
Продаж

Запчастини Deutz 913, 1013, 1011, 2013

Запчастини двигуна Дойц, Deutz 913, 1013, 1011, 2013, 2012 У нас можна купити: гільзо-поршнева група (поршні, гільзи, кільця); вкладиші корінні і шатунні; водяні насоси і термостати; генератори і стартери; клапана і направляючі; корзини і диски зчеплення; прокладки двигуна; турбіни і компресори; шатуни і втулки; ремкомплекти і фільтри. Доставка запчастин перевізниками в усі регіони країни.

м. Луцьк, Волинська обл. 08-02-26
2 650 грн.
м. Луцьк, Волинська обл. 08-02-26
Запчастини Mercedes OM 364, OM 366, OM 904, OM 906
Продаж

Запчастини Mercedes OM 364, OM 366, OM 904, OM 906

Запчастини двигуна Mercedes OM 314, OM 352, OM 364, OM 366, OM 904, OM 906 У нас можна купити: гільзо-поршнева група (поршні, гільзи, кільця); вкладиші корінні і шатунні; водяні насоси і термостати; генератори і стартери; клапана і направляючі; корзини і диски зчеплення; прокладки двигуна; турбіни і компресори; шатуни і втулки; ремкомплекти і фільтри. Доставка запчастин перевізниками в усі регіони країни.

м. Житомир, Житомирська обл. 08-02-26
2 985 грн.
м. Житомир, Житомирська обл. 08-02-26
Вашу скаргу надіслано
Повторно оголошення можна буде прорекламувати коли закінчиться дія вашого поточного пакета
Повідомлення відправлене