101128798
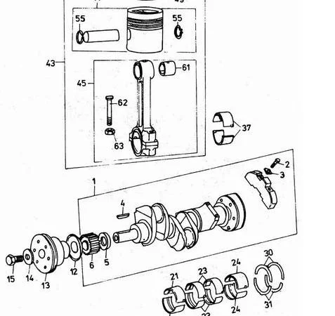
Коленчатый вал на Двигатель Д2500к на погрузчик Балканкар - фото № 1
Опубліковано 2025-11-02 в

Коленчатый вал на Двигатель Д2500к на погрузчик Балканкар

0 €

Опис

№ позиции № по каталогу № позиционный Наименование 1 8 476410 4566693381 В41243292 Вал коленчатый с шестерней 1 8476431 С41243291 Коленчатый вал с шестерней 2 6 476502 4566693375 В32162431 Болт 3 6 446458 4566693091 В31731515 Шайба контровочная, правая 4 6 441026 4566693194 36271704 Шпонка 5 6 428787 4566693596 33125106 Втулка распорная 6 6 421722 4566693582 31163109 Шестерня 12 6 431198 4566692469 33176308 Маслоотражатель 13 6 428528 4566693125 В31142646 Шкив ременный 13 8 464394 45666942255 В41315181 Шкив ременный 13 6 481018 4566694226 В31142647 Шкив ременный 14 6 433041 4566693083 33125112 Шайба 15 6 429245 С32162312 Болт 21 6 422686 4566693065 URB31122321ST Вкладыш переднего коренного подшипника, верхний 21 6 464557 URB31122323R2 Вкладыш переднего коренного подшипника, верхний 21 6 464563 URB31122324R3 Вкладыш переднего коренного подшипника, верхний 21 6 464542 URB31122322R1 Вкладыш переднего подшипника, верхний 22 6 416167 4566693069 URB31122311ST Вкладыш переднего коренного подшипника, нижний 22 6 464613 URB31122313R2 Вкладыш переднего коренного подшипника, нижний 22 6 464628 URB31122314R3 Вкладыш переднего коренного подшипника, нижний 22 6 464607 URB31122312R1 Вкладыш переднего подшипника, нижний 23 6 416152 4566693040 URB31121221ST Вкладыш промежуточного коренного подшипника 23 6 464578 URB31121222R1 Вкладыш промежуточного коренного подшипника 23 6 464584 URB31121223R2 Вкладыш промежуточного коренного подшипника 23 6 464590 URB31121224R3 Вкладыш промежуточного коренного подшипника 24 6 422692 4566693036 URB31123271ST Вкладыш заднего коренного подшипника 24 6 464634 URB31123272R1 Вкладыш заднего коренного подшипника 24 6 464640 URB31123273R2 Вкладыш заднего коренного подшипника 24 6 464655 URB31123274R3 Вкладыш заднего коренного подшипника 30 6 420554 4566693674 URB31137191 Шайба упорная, верхняя 31 6 420560 4566693675 URB31137201 Шайба упорная, нижняя 37 6 416194 4566693029 URB31131171ST Вкладыш шатунного подшипника 37 6 464661 URB31131172R1 Вкладыш шатунного подшипника 37 6 464676 URB31131173R2 Вкладыш шатунного подшипника 37 6 464682 URB31131174R3 Вкладыш шатунного подшипника 43 8 494791 4566693376 В41732133 Поршень - шатун 44 7 480952 4566693377 В41731041 Поршень 44 7 480952 4566693377 В41731041 Поршень 45 7 445254 4566693774 В41152911 Шатун 45 7 445254 4566693774 41152911 Шатун 46 6 493496 В2725097 Кольцо поршневое компрессионное 47 6 493304 В2725095 Кольцо поршневое компрессионное 49 6 493510 4566692656 В2725091 Кольцо поршневое маслосъемное 55 6 235641 Кольцо А32х1.2 БДС 2170-77 61 6 420738 4566692187 URB31134151 Втулка шатунная 62 6 445120 4566692078 В32762102 Болт шатунный 63 6 402244 4566692209 В33221321 Гайка шатунного болта

ID101128798
Переглядів24
с. Жильжа, Рівненська обл.

Схожі оголошення

Дивитись усі
Ремонт львовских и болгарских автопогрузчиков в Одесса
Надам послугу

Ремонт львовских и болгарских автопогрузчиков в Одесса

На нашем предприятии мы выполняем различные виды ремонта Балканкар техники:и не только Автопогрузчик Львовский и другие Погрузчики привозят со всей территории Украины +380501031063 [email protected] Viber /Watsap для иностранных государств Ремонт двигателей погрузчиков Балканкар Д2500 (Д 2500 К), Д3900 (Д 3900 К) – 3-х и 4-х цилиндровые дизельные двигатели. Ремонт КПП Балканкар – устройство коробки передач. Ремонт и регулировка ТНВД Балканкар – топливные насосы высокого давления. Ремонт топливной аппаратуры Балканкар. Ремонт гидравлики погрузчиков Балканкар – гидравлическая система, гидроцилиндры (гидравлические цилиндры). Ремонт подъемных устройств и мачт погрузчиков Балканкар. Ремонт системы рулевого управления и управляемого моста Балканкар. Полное восстановление погрузчиков Балканкар.погрузчиков Львовского завода Автопогрузчик

м. Одеса, Одеська обл. 12-03-26
Ціна договірна
м. Одеса, Одеська обл. 12-03-26
Запчастини Дойц, Deutz 913, 1013, 1011, 2013
Продаж

Запчастини Дойц, Deutz 913, 1013, 1011, 2013

Запчастини Дойц, Deutz 913, 1013, 1011, 2013, 2012 У нас можна купити: гільзо-поршнева група (поршні, гільзи, кільця); вкладиші корінні і шатунні; водяні насоси і термостати; генератори і стартери; клапана і направляючі; корзини і диски зчеплення; прокладки двигуна; турбіни і компресори; шатуни і втулки; ремкомплекти і фільтри. Доставка запчастин перевізниками в усі регіони країни.

м. Тернопіль, Тернопільська обл. 08-02-26
5 450 грн.
м. Тернопіль, Тернопільська обл. 08-02-26
Запчастини Deutz 913, 1013, 1011, 2013
Продаж

Запчастини Deutz 913, 1013, 1011, 2013

Запчастини двигуна Дойц, Deutz 913, 1013, 1011, 2013, 2012 У нас можна купити: гільзо-поршнева група (поршні, гільзи, кільця); вкладиші корінні і шатунні; водяні насоси і термостати; генератори і стартери; клапана і направляючі; корзини і диски зчеплення; прокладки двигуна; турбіни і компресори; шатуни і втулки; ремкомплекти і фільтри. Доставка запчастин перевізниками в усі регіони країни.

м. Луцьк, Волинська обл. 08-02-26
2 650 грн.
м. Луцьк, Волинська обл. 08-02-26
Запчастини Mercedes OM 364, OM 366, OM 904, OM 906
Продаж

Запчастини Mercedes OM 364, OM 366, OM 904, OM 906

Запчастини двигуна Mercedes OM 314, OM 352, OM 364, OM 366, OM 904, OM 906 У нас можна купити: гільзо-поршнева група (поршні, гільзи, кільця); вкладиші корінні і шатунні; водяні насоси і термостати; генератори і стартери; клапана і направляючі; корзини і диски зчеплення; прокладки двигуна; турбіни і компресори; шатуни і втулки; ремкомплекти і фільтри. Доставка запчастин перевізниками в усі регіони країни.

м. Житомир, Житомирська обл. 08-02-26
2 985 грн.
м. Житомир, Житомирська обл. 08-02-26
Вашу скаргу надіслано
Повторно оголошення можна буде прорекламувати коли закінчиться дія вашого поточного пакета
Повідомлення відправлене