101128792
Топливный впрыскивающий насос "Мефин" F020 на Двигатель Д 3900к - фото № 1
Опубліковано 2025-11-02 в

Топливный впрыскивающий насос "Мефин" F020 на Двигатель Д 3900к

0 €

Опис

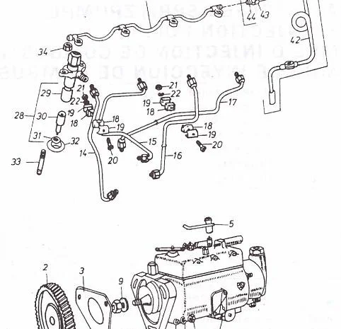
№ позиции № по каталогу № позиционный Наименование 1 В2642864 6 463 050 Топливный впрыскивающий насос "Мефин" DRAM 3842 F020 2 В31171533 6 448 408 Шестерня 3 В36822121 6 446 090 Уплотнение 4 В32513033 6 437 587 Шпилька 5 В2646901 6 479 660 Кронштейн 6 6 235 781 Гайка М8-8 БДС 744-83/Zn 7 6 204 978 Шайба АМ8 БДС 206-78/Zn 8 6 205 035 Шайба 2-8Л БДС 833-82/Zn 14 В35354275 8 484 892 Труба первого цилиндра (в сборе) 15 В35354273 6 484 871 Труба второго цилиндра (в сборе) 16 В35354295 6 484 921 Труба третьего цилиндра (в сборе) 17 В35355287 6 484 900 Труба четвертого цилиндра (в сборе) 18 36844116 6 419 945 Скоба 19 36511123 6 429 105 Скоба 20 6 239 435 Винт 2А М5х30/16-5.8 БДС 832-83/Zn 21 6 237 648 Гайка М5-8 БДС 744-83/Zn 22 6 237 660 Шайба 2-5Л БДС 833-82/Zn 28 В2646455 8 447 210 Форсунка 0832281009 (в сборе) 29 В2646467 6 461 714 Держатель распылителя ROKBL 67S 8R 30 В2646682 6 465 393 Распылитель RO-DDL A150S 13R 31 В33114078 6 431 542 Кольцо уплотнительное 32 С33817451 6 499 273 Резиновое уплотнение 33 6 238 920 Шпилька АМ8х35-8.8 БДС 5926-87/Zn 34 6 235 781 Гайка М8-8 БДС 744-83/Zn 40 В35581411 8 484 572 Труба для избыточного топлива в форсунках (в сборе) 41 В35568003 8 472 370 Труба для избыточного топлива к топливному фильтру (в сборе) 42 В3556801 7 470 681 Труба топливная 43 6 230 370 Гайка соединительная 3С БДС 2246-70/Zn 44 В33171151 6 443 684 Коническое уплотнение

ID101128792
Переглядів19
с. Жильжа, Рівненська обл.

Схожі оголошення

Дивитись усі
Запчастини Дойц, Deutz 913, 1013, 1011, 2013
Продаж

Запчастини Дойц, Deutz 913, 1013, 1011, 2013

Запчастини Дойц, Deutz 913, 1013, 1011, 2013, 2012 У нас можна купити: гільзо-поршнева група (поршні, гільзи, кільця); вкладиші корінні і шатунні; водяні насоси і термостати; генератори і стартери; клапана і направляючі; корзини і диски зчеплення; прокладки двигуна; турбіни і компресори; шатуни і втулки; ремкомплекти і фільтри. Доставка запчастин перевізниками в усі регіони країни.

м. Тернопіль, Тернопільська обл. 08-02-26
5 450 грн.
м. Тернопіль, Тернопільська обл. 08-02-26
Запчастини Deutz 913, 1013, 1011, 2013
Продаж

Запчастини Deutz 913, 1013, 1011, 2013

Запчастини двигуна Дойц, Deutz 913, 1013, 1011, 2013, 2012 У нас можна купити: гільзо-поршнева група (поршні, гільзи, кільця); вкладиші корінні і шатунні; водяні насоси і термостати; генератори і стартери; клапана і направляючі; корзини і диски зчеплення; прокладки двигуна; турбіни і компресори; шатуни і втулки; ремкомплекти і фільтри. Доставка запчастин перевізниками в усі регіони країни.

м. Луцьк, Волинська обл. 08-02-26
2 650 грн.
м. Луцьк, Волинська обл. 08-02-26
Запчастини Mercedes OM 364, OM 366, OM 904, OM 906
Продаж

Запчастини Mercedes OM 364, OM 366, OM 904, OM 906

Запчастини двигуна Mercedes OM 314, OM 352, OM 364, OM 366, OM 904, OM 906 У нас можна купити: гільзо-поршнева група (поршні, гільзи, кільця); вкладиші корінні і шатунні; водяні насоси і термостати; генератори і стартери; клапана і направляючі; корзини і диски зчеплення; прокладки двигуна; турбіни і компресори; шатуни і втулки; ремкомплекти і фільтри. Доставка запчастин перевізниками в усі регіони країни.

м. Житомир, Житомирська обл. 08-02-26
2 985 грн.
м. Житомир, Житомирська обл. 08-02-26
Запчастини для DAF, MAN, Mercedes, Renault Truck
Продаж

Запчастини для DAF, MAN, Mercedes, Renault Truck

Запчастини для DAF, MAN, Mercedes, Renault Truck, Iveco, Volvo, Scania У нас можна купити: гільзо-поршнева група (поршні, гільзи, кільця); вкладиші корінні і шатунні; водяні насоси і термостати; гальмівні диски і колодки; генератори і стартери; клапана і направляючі; корзини і диски зчеплення; маточини і синхронізатори; наконечники і рульові тяги; прокладки двигуна; турбіни і компресори; шатуни і втулки; шестерні кпп і хрестовини. Доставка запчастин перевізниками в усі регіони країни.

м. Житомир, Житомирська обл. 08-02-26
985 грн.
м. Житомир, Житомирська обл. 08-02-26
Вашу скаргу надіслано
Повторно оголошення можна буде прорекламувати коли закінчиться дія вашого поточного пакета
Повідомлення відправлене