101128776
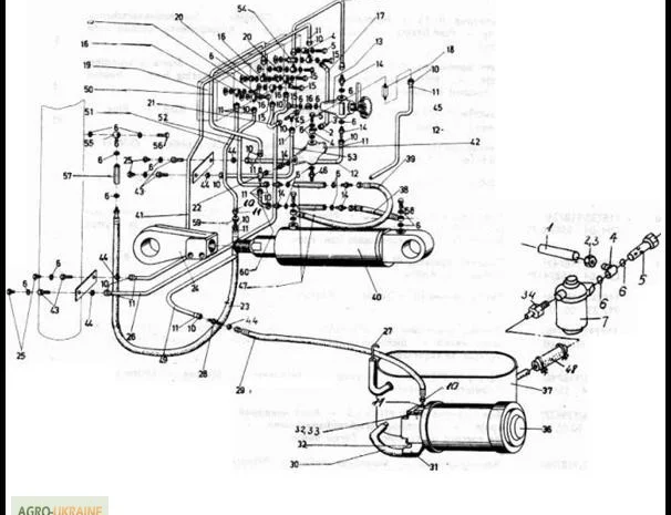
Гидравлическая система на Н2200, Н2500, Н3300 на погрузчик Балканкар ЕВ 687 - фото № 1
Опубліковано 2025-11-03 в

Гидравлическая система на Н2200, Н2500, Н3300 на погрузчик Балканкар ЕВ 687

0 €

Опис

№ позиции № по каталогу Наименование Штук ГИДРАВЛИЧЕСКАЯ СИСТЕМА НА Н=2200;Н=2500;Н=3300 _1 131105 687.33 08.00.00 Гидравлическая система вариант 00 1 _2 000200 687.33 08.00.00 Гидравлическая система вариант 15 1 1 286425/286426/ 687.33 08.00.35 Сливная труба 1 2 118736/118737/ ОН 04 55874-71 Накидная гайка II Е15 4 3 118742 ОН 04 55874-71 Кольцо II 15 4 4 118710/118711/ 7005 00.00.88 Накидная гайка II 15 3 5 129623/129624/ 7005 00.00.92 Болт накидной гайки М18х1,5 3 6 208806 БДС 3609-73 Кольцо II А18х24 Cu 99,7 39 7 121210/121211/ 5384-1 00.00 Масляный фильтр ФММ-45 1 9 118564/118565/ 717.33 08.00.11 Труба 1 10 118733/118734/ ОН-04 55874-71 Накидная гайка III Е12 27 11 118741/118742/ ОН 04 55874-71 Кольцо III 12 27 12 118567/118568/ 717.33 08.00.12 Труба III 1 13 119797/119798/ 567 00.00.00 Предохранительный клапан КП(А3А1) 1 14 118745/118746/ ОН-04 55874-71 Штуцер III Е12/М18 5 15 129626/129627/ 7005 00.00.93 Болт накидной гайки М18х1,5 8 16 118707/118708/ 7005 00.00.88 Накидная гайка III 12 8 17 120340/120341/ 687.33 08.00.01 Сливная труба I 1 18 120397/120398/ 687.33 08.00.23 Специальный штуцер 1 19 121635/121636/ 7023 01.00.00 Командное ус-во с распределителем 348/2ЛЛЛМ 1 20 115871/115872/ 738.11 14.00.01 Удлинитель 3 21 118570/118571/ 717.33 08.00.13 Труба 1 22 118687/118688/ 7005 00.00.51 Тройник I резьбовой III 12 1 23 128330/128331/ ОН-04 51484-83 Гибкое соединение 10-Щкр х18-Нц х12-610/25 1 24 127869/127870/ 7026 01.00.00 Присоединительная проушина 35х2/36х2 1 25 109577/109578/ 71 07.00.36 Пробка 4 26 120355/120356/ 687.33 08.00.06 Труба II 1 27 121191/121192/ 6740 00.01.00 Маслоуказатель (в сборе) 1 28 129647/129648/ ОН-04 55874-71 Штуцер III Е12 1 29 127610/127611/ ОН-04 51484-83 Гибкое соединение 8-Нц х 12-Нц х 12-430/25 1 30 120380/120381 687.33 08.00.15 Всасывающий шланг 1 31 111360/115219/ 705 04.00.34 Всасывающий фланец 1 32 367016 28-29 00.02 "О" кольцо 15,5х2,6 2 33 114840/114841/ 705 04.00.26 Фланец напорный 1 34 286434/286435/ 687.33 08.00.38 Штуцер 1 36 286310/286311/ 7021 29.00.00-07 Насос с эл.двигателем А14Х-ЕС 6,5/7,5/28-7 1 37 127598/127599/ 6746 00.00.00 Резервуар масляный (в сборе) 1 38 121218/121219/ ОН-04 51484-83 Гибкое соединение 8-К90*Е х12-Г х18-350/25 1 39 121216/121217/ ОН-51484-83 Гибкое соединение 8-Г х18-Нц х12-430/25 1 40 123977/123978/ 17016 00.00.00 Гидравлический поршневой цилиндр ЦБХ 211 А1/90х75/70 1 40* 159183/159184/ 17013 00.01.01-14Л Гидравлический поршневой цилиндр ЦБХ 211 А1/90х75/70 1 40** 388353 17013.1 00.00.00-14Л Гидравлический поршневой цилиндр ЦБХ 211 А1/90х75/70 1 41 120352/120353/ 687.33 08.00.05 Труба I 1 42 121208/121209/ 5654 00.00 Предохранительный клапан КП(А1А34) 1 43 115120/115121/ 651 06.00.18 Штуцер специальный d 12-S 4 44 115123/115124/ 651 06.00.25 Гайка стопорная 5 45 113455/118697/ 7005 00.00.53 Тройник LP III 12 1 46 687.33.08.00.38 Штуцер специальный 1 47 181835/181836/ ОН-04 58956-72 Дроссель регулируемый ДРОК-12 инд.5791 1 48 286436/286437/ 687.33 08.00.39 Шланг 1 49 120349/120350/ 687.33 08.00.04 Напорная труба 1 50 120370/120371/ 687.33 08.00.11 Труба 1 51 120376/120377/ 687.33 08.00.13 Труба 1 52 120373/120374/ 687.33 08.00.12 Труба 1 53 118573/118574/ 717.33 08.00.14 Труба IV 1 54 118591/118592/ 717.33 08.00.20 Удлинитель 1 55 127267/127268/ 631.3 07.00.07 Накидная гайка D18/M18 1 56 12727/127271/ 651.3 02.00.13 Болт накидной гайки 1 57 129188/129189/ 5751 00.00 Дроссель нерегулируемый ДН12(1,7х7,2) 1 58 1 125571 7005 00.00.56 Болт накидной гайки АМ 18/1,5 1 58 2 129652/129653/ 687.33 08.00.33 Специальный болт накидной гайки 1 59 104760 (104761) ОН-04 55874-71 Штуцер III Е12 1

ID101128776
Переглядів21
с. Жильжа, Рівненська обл.

Схожі оголошення

Дивитись усі
Запчастини Дойц, Deutz 913, 1013, 1011, 2013
Продаж

Запчастини Дойц, Deutz 913, 1013, 1011, 2013

Запчастини Дойц, Deutz 913, 1013, 1011, 2013, 2012 У нас можна купити: гільзо-поршнева група (поршні, гільзи, кільця); вкладиші корінні і шатунні; водяні насоси і термостати; генератори і стартери; клапана і направляючі; корзини і диски зчеплення; прокладки двигуна; турбіни і компресори; шатуни і втулки; ремкомплекти і фільтри. Доставка запчастин перевізниками в усі регіони країни.

м. Тернопіль, Тернопільська обл. 08-02-26
5 450 грн.
м. Тернопіль, Тернопільська обл. 08-02-26
Запчастини Deutz 913, 1013, 1011, 2013
Продаж

Запчастини Deutz 913, 1013, 1011, 2013

Запчастини двигуна Дойц, Deutz 913, 1013, 1011, 2013, 2012 У нас можна купити: гільзо-поршнева група (поршні, гільзи, кільця); вкладиші корінні і шатунні; водяні насоси і термостати; генератори і стартери; клапана і направляючі; корзини і диски зчеплення; прокладки двигуна; турбіни і компресори; шатуни і втулки; ремкомплекти і фільтри. Доставка запчастин перевізниками в усі регіони країни.

м. Луцьк, Волинська обл. 08-02-26
2 650 грн.
м. Луцьк, Волинська обл. 08-02-26
Запчастини Mercedes OM 364, OM 366, OM 904, OM 906
Продаж

Запчастини Mercedes OM 364, OM 366, OM 904, OM 906

Запчастини двигуна Mercedes OM 314, OM 352, OM 364, OM 366, OM 904, OM 906 У нас можна купити: гільзо-поршнева група (поршні, гільзи, кільця); вкладиші корінні і шатунні; водяні насоси і термостати; генератори і стартери; клапана і направляючі; корзини і диски зчеплення; прокладки двигуна; турбіни і компресори; шатуни і втулки; ремкомплекти і фільтри. Доставка запчастин перевізниками в усі регіони країни.

м. Житомир, Житомирська обл. 08-02-26
2 985 грн.
м. Житомир, Житомирська обл. 08-02-26
Запчастини для DAF, MAN, Mercedes, Renault Truck
Продаж

Запчастини для DAF, MAN, Mercedes, Renault Truck

Запчастини для DAF, MAN, Mercedes, Renault Truck, Iveco, Volvo, Scania У нас можна купити: гільзо-поршнева група (поршні, гільзи, кільця); вкладиші корінні і шатунні; водяні насоси і термостати; гальмівні диски і колодки; генератори і стартери; клапана і направляючі; корзини і диски зчеплення; маточини і синхронізатори; наконечники і рульові тяги; прокладки двигуна; турбіни і компресори; шатуни і втулки; шестерні кпп і хрестовини. Доставка запчастин перевізниками в усі регіони країни.

м. Житомир, Житомирська обл. 08-02-26
985 грн.
м. Житомир, Житомирська обл. 08-02-26
Вашу скаргу надіслано
Повторно оголошення можна буде прорекламувати коли закінчиться дія вашого поточного пакета
Повідомлення відправлене