101128770
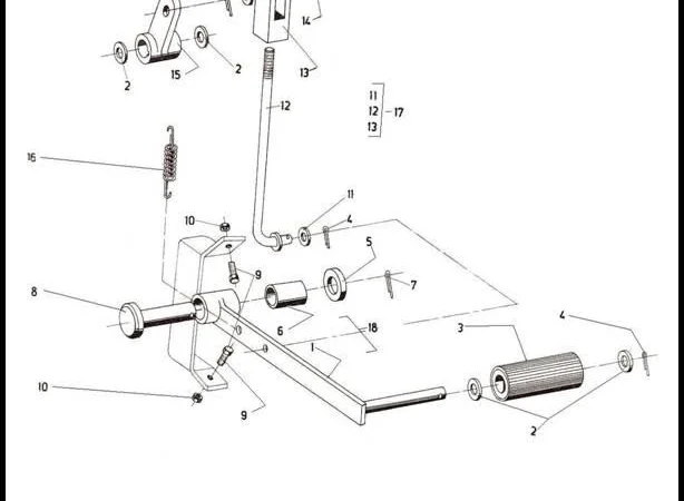
Командная система для контакторной схемы управления погрузчика ЕВ 687 - фото № 1
Опубліковано 2025-11-03 в

Командная система для контакторной схемы управления погрузчика ЕВ 687

0 €

Опис

№ позиции № по каталогу Наименование Штук КОМАНДНАЯ СИСТЕМА ДЛЯ КОНТАКТОРНОЙ СХЕМЫ РЕГУЛИРОВКИ СКОРОСТИ 121241 687.33.8 04.00.00 Командна система 1 1 121071/121072/ 687.33 04.01.01.00 Рычаг 1 2 103163/103164/ БДС 205-73 Шайба нормальная НМ10 4 3 111229/108305/ 602 08.00.03 Педаль акселератора 1 4 108310/108311/ БДС 55-64 Шплинт 2х14 3 5 122515/122516/ БДС 206-75 Шайба нормальная НМ14 1 6 120210/120202/ 687.33 04.01.01 Втулка 1 7 109447/109448/ БДС 55-64 Шплинт 4х25 1 8 123415/123416/ БДС 3048-72/5,6 Ось 14х55/50 1 9 108700/108701/ БДС 1230-72/5,6 Болт I М6х25 2 10 109698/109697/ БДС 744-72/5 Гайка М6 2 11 103169/103170/ БДС 206-73 Шайба нормальная НМ8 3 12 120441 687.33.8 04.01.01 Штанга 1 13 120472/120473/ 717.33.4 04.01.03 Вилка 1 14 120908/120909/ БДС 3048-72/5,6 Ось 8х22/19 1 15 120478/120479/ 717.33.4 04.00.01 Рычаг 1 16 116056/116057/ 717.33 04.00.01 Пружина 1 17 121243/121244/ 687.33.8 04.01.00 Штанга (в сборе) 1 18 121068/121069/ 687.33 04.01.00 Рычаг (в сборе) 1

ID101128770
Переглядів22
с. Жильжа, Рівненська обл.

Схожі оголошення

Дивитись усі
Ремонт львовских и болгарских автопогрузчиков в Одесса
Надам послугу

Ремонт львовских и болгарских автопогрузчиков в Одесса

На нашем предприятии мы выполняем различные виды ремонта Балканкар техники:и не только Автопогрузчик Львовский и другие Погрузчики привозят со всей территории Украины +380501031063 [email protected] Viber /Watsap для иностранных государств Ремонт двигателей погрузчиков Балканкар Д2500 (Д 2500 К), Д3900 (Д 3900 К) – 3-х и 4-х цилиндровые дизельные двигатели. Ремонт КПП Балканкар – устройство коробки передач. Ремонт и регулировка ТНВД Балканкар – топливные насосы высокого давления. Ремонт топливной аппаратуры Балканкар. Ремонт гидравлики погрузчиков Балканкар – гидравлическая система, гидроцилиндры (гидравлические цилиндры). Ремонт подъемных устройств и мачт погрузчиков Балканкар. Ремонт системы рулевого управления и управляемого моста Балканкар. Полное восстановление погрузчиков Балканкар.погрузчиков Львовского завода Автопогрузчик

м. Одеса, Одеська обл. 12-03-26
Ціна договірна
м. Одеса, Одеська обл. 12-03-26
Запчастини Дойц, Deutz 913, 1013, 1011, 2013
Продаж

Запчастини Дойц, Deutz 913, 1013, 1011, 2013

Запчастини Дойц, Deutz 913, 1013, 1011, 2013, 2012 У нас можна купити: гільзо-поршнева група (поршні, гільзи, кільця); вкладиші корінні і шатунні; водяні насоси і термостати; генератори і стартери; клапана і направляючі; корзини і диски зчеплення; прокладки двигуна; турбіни і компресори; шатуни і втулки; ремкомплекти і фільтри. Доставка запчастин перевізниками в усі регіони країни.

м. Тернопіль, Тернопільська обл. 08-02-26
5 450 грн.
м. Тернопіль, Тернопільська обл. 08-02-26
Запчастини Deutz 913, 1013, 1011, 2013
Продаж

Запчастини Deutz 913, 1013, 1011, 2013

Запчастини двигуна Дойц, Deutz 913, 1013, 1011, 2013, 2012 У нас можна купити: гільзо-поршнева група (поршні, гільзи, кільця); вкладиші корінні і шатунні; водяні насоси і термостати; генератори і стартери; клапана і направляючі; корзини і диски зчеплення; прокладки двигуна; турбіни і компресори; шатуни і втулки; ремкомплекти і фільтри. Доставка запчастин перевізниками в усі регіони країни.

м. Луцьк, Волинська обл. 08-02-26
2 650 грн.
м. Луцьк, Волинська обл. 08-02-26
Запчастини Mercedes OM 364, OM 366, OM 904, OM 906
Продаж

Запчастини Mercedes OM 364, OM 366, OM 904, OM 906

Запчастини двигуна Mercedes OM 314, OM 352, OM 364, OM 366, OM 904, OM 906 У нас можна купити: гільзо-поршнева група (поршні, гільзи, кільця); вкладиші корінні і шатунні; водяні насоси і термостати; генератори і стартери; клапана і направляючі; корзини і диски зчеплення; прокладки двигуна; турбіни і компресори; шатуни і втулки; ремкомплекти і фільтри. Доставка запчастин перевізниками в усі регіони країни.

м. Житомир, Житомирська обл. 08-02-26
2 985 грн.
м. Житомир, Житомирська обл. 08-02-26
Вашу скаргу надіслано
Повторно оголошення можна буде прорекламувати коли закінчиться дія вашого поточного пакета
Повідомлення відправлене