101128725
Масляная ванна на Двигатель Д 3900к - фото № 1
Опубліковано 2025-11-01 в

Масляная ванна на Двигатель Д 3900к

0 €

Опис

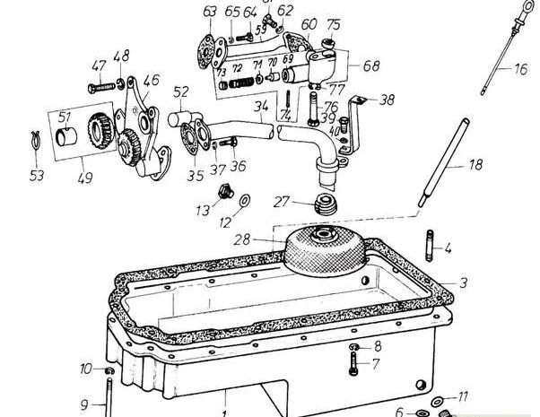
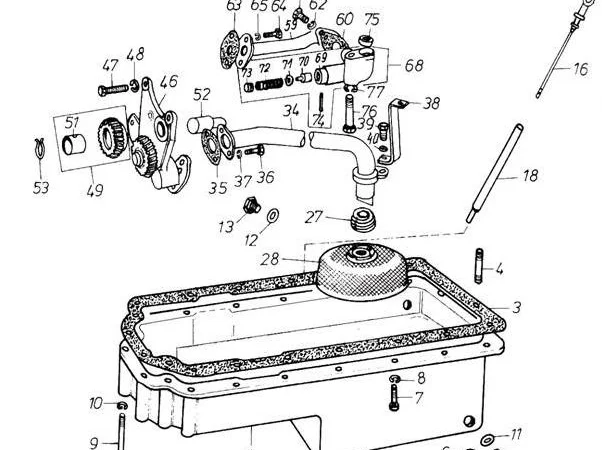
№ позиции № по каталогу № позиционный Наименование 1 В37171331 6 465 318 Масленая ванна 2 В32163037 6 499 561 Пробка 3 36815705 6 432 675 Уплотнение 3 36815706 6 518 716 Уплотнение 4 В32513211 6 433 891 Шпилька 5 6 235 798 Гайка М8-8 БДС 74483/Zn 6 6 205 035 Шайба 2-8Л БДС 833-82/Zn 7 6 237 598 Болт А1 М8х20-8.8 БДС 1232-86/Zn 8 6 205 035 Шайба 2-8Л БДС 833-82/Zn 9 6 224 478 Болт А1 М8х85-8.8 БДС 1232-86/Zn 10 6 230 391 Кольцо I А8х14 АI 99.5 БДС 3609-73 11 6 241 275 Кольцо А20х26 Cu 99.5 БДС 3609-73 16 В31782281 8 478 803 Масло указательный щуп 17 33811407 6 432 422 Уплотнение 18 В33143614 6 478 780 Труба маслоуказателя 27 В31747115 6 402 883 Пружина 28 В37725434 6 432 015 Всасыватель 34 В35732173 6 403 980 Всасывающий трубопровод 35 36832122 6 432 654 Уплотнение 36 6 230 961 Болт А1 М6х20-8.8 БДС 1232-86/фос. 37 6 205 035 Шайба 2-8Л БДС 833-82/Zn 38 В36534116 6 431 108 Кронштейн 39 6 235 100 Болт А1 М8х16-8.8 БДС 1232-86/фос. 40 6 230 034 Предохранительная шайба 8-2 БДС 1975-74/фос. 46 В41314130 8 402 933 Масляный насос (в сборе) 47 6 230 961 Болт А1 М8х20-8.8 БДС 1232-86/фос. 48 6 205 035 Шайба 2-8Л БДС 833-82/Zn 49 В41115161 8 443 473 Шестерня промежуточная 51 URB 31358143 6 445 037 Втулка 52 В32716117 6 431 367 Ось промежуточной шестерни 53 6 230 560 Кольцо В222х1.2 DIN 471 59 В35551509 8 419 473 Нагнетательный трубопровод 60 36831108 6 432 295 Уплотнение 60 36831109 6 518 770 Уплотнение 61 6 230 955 Болт А1 М6х16-5.8 БДС 1232-86/фос. 62 6 239 319 Шайба 2-6Л БДС 833-82/Zn 68 В41371418 8 461 278 Предохранительный клапан масляного насоса (в сборе) 69 В37756529 6 461 257 Корпус предохранительного клапана 70 В32712218 6 461 290 Плунжер 71 В33114211 6 461 762 Шайба подложна 72 В31742167 6 461 263 Пружина 73 В33111125 6 461 284 Тарелка 74 6 241 402 Шплинт 3.2х28 БДС 55-64 75 В33137405 6 440 505 Втулка центроваща 76 6 236 640 Болт А1 В10х70-8.8 БДС 1232-86/фос. 77 6 205 041 Шайба 2-10Л БДС 833-82/Zn

ID101128725
Переглядів17
с. Жильжа, Рівненська обл.

Схожі оголошення

Дивитись усі
Запчастини Дойц, Deutz 913, 1013, 1011, 2013
Продаж

Запчастини Дойц, Deutz 913, 1013, 1011, 2013

Запчастини Дойц, Deutz 913, 1013, 1011, 2013, 2012 У нас можна купити: гільзо-поршнева група (поршні, гільзи, кільця); вкладиші корінні і шатунні; водяні насоси і термостати; генератори і стартери; клапана і направляючі; корзини і диски зчеплення; прокладки двигуна; турбіни і компресори; шатуни і втулки; ремкомплекти і фільтри. Доставка запчастин перевізниками в усі регіони країни.

м. Тернопіль, Тернопільська обл. 08-02-26
5 450 грн.
м. Тернопіль, Тернопільська обл. 08-02-26
Запчастини Deutz 913, 1013, 1011, 2013
Продаж

Запчастини Deutz 913, 1013, 1011, 2013

Запчастини двигуна Дойц, Deutz 913, 1013, 1011, 2013, 2012 У нас можна купити: гільзо-поршнева група (поршні, гільзи, кільця); вкладиші корінні і шатунні; водяні насоси і термостати; генератори і стартери; клапана і направляючі; корзини і диски зчеплення; прокладки двигуна; турбіни і компресори; шатуни і втулки; ремкомплекти і фільтри. Доставка запчастин перевізниками в усі регіони країни.

м. Луцьк, Волинська обл. 08-02-26
2 650 грн.
м. Луцьк, Волинська обл. 08-02-26
Запчастини Mercedes OM 364, OM 366, OM 904, OM 906
Продаж

Запчастини Mercedes OM 364, OM 366, OM 904, OM 906

Запчастини двигуна Mercedes OM 314, OM 352, OM 364, OM 366, OM 904, OM 906 У нас можна купити: гільзо-поршнева група (поршні, гільзи, кільця); вкладиші корінні і шатунні; водяні насоси і термостати; генератори і стартери; клапана і направляючі; корзини і диски зчеплення; прокладки двигуна; турбіни і компресори; шатуни і втулки; ремкомплекти і фільтри. Доставка запчастин перевізниками в усі регіони країни.

м. Житомир, Житомирська обл. 08-02-26
2 985 грн.
м. Житомир, Житомирська обл. 08-02-26
Запчастини для DAF, MAN, Mercedes, Renault Truck
Продаж

Запчастини для DAF, MAN, Mercedes, Renault Truck

Запчастини для DAF, MAN, Mercedes, Renault Truck, Iveco, Volvo, Scania У нас можна купити: гільзо-поршнева група (поршні, гільзи, кільця); вкладиші корінні і шатунні; водяні насоси і термостати; гальмівні диски і колодки; генератори і стартери; клапана і направляючі; корзини і диски зчеплення; маточини і синхронізатори; наконечники і рульові тяги; прокладки двигуна; турбіни і компресори; шатуни і втулки; шестерні кпп і хрестовини. Доставка запчастин перевізниками в усі регіони країни.

м. Житомир, Житомирська обл. 08-02-26
985 грн.
м. Житомир, Житомирська обл. 08-02-26
Вашу скаргу надіслано
Повторно оголошення можна буде прорекламувати коли закінчиться дія вашого поточного пакета
Повідомлення відправлене