101128712
Масляная ванна на Двигатель Д2500к на погрузчик Балканкар - фото № 1
Опубліковано 2025-11-02 в

Масляная ванна на Двигатель Д2500к на погрузчик Балканкар

0 €

Опис

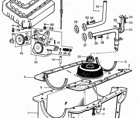
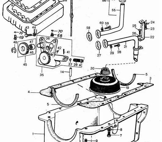
№ позиции № по каталогу № позиционный Наименование 1 6 473390 4566693383 В37171813 Ванна масляная 1 6 472195 4566693384 В37171812 Ванна масляная 1 6 480397 4566693385 В37171201 Ванна масляная 2 6 230512 Пробка II кон. 1/2" БДС 2527-71/6.8 Zn 3 6 445866 В36815338 Уплотнение, левая сторона 4 6 445872 В36815337 Уплотнение, правая сторона 5 6 440911 36884112 Уплотнение масляной ванны 6 6 236296 Болт А1 М8х80-8.8 БДС 1232-86/фос. 7 6 230961 Болт А1 М8х20-8.8 БДС 1232-86/фос. 8 6 205035 Шайба 2-8Л БДС 833-82/Zn 9 6 233290 Шпилька А М8х50-8.8 БДС 1232-86/Zn 10 6 224106 Гайка М8-8 БДС 744-83/фос. 12 8 473357 4566693775 В31782278 Щуп маслоуказательный 12 8 457853 4566693776 В31782275 Щуп маслоуказательный 14 6 433597 4566692173 В31358115 Втулка 14 6 473342 4566693795 В33143613 Труба маслоуказателя 17 6 238490 Болт А2 М10х28-8.8 БДС 1232-86/Zn 18 6 205041 Шайба 2-10Л БДС 833-82/Zn 19 8 432015 4566692719 В377255434 Всасыватель 20 6 402883 4566699230 В31747115 Пружина 21 8 403807 4566692849 В35737250 Трубопровод всасывающий 21 8 480854 4566693797 В35721881 Трубопровод всасывающий 22 6 430698 4566692450 В37328161 Кронштейн 23 6 236417 Болт А1 М6х14-6.8 БДС 1230-85/фос. 24 6 239316 Шайба 2-6Л БДС 833-82/Zn 25 6 235100 Болт А1 М8х16-8.8 БДС 1232-86/фос. 26 6 231687 Шайба предохранительная 2х8.5 БДС 1975-74/фос. 27 6 432295 4566692932 36831108 Уплотнение 28 6 236402 Болт А1 М6х18-6.8 БДС 1230-85/фос. 29 6 239316 Шайба 2-6Л БДС 833-82/Zn 35 8 402927 4566692613 В41314140 Насос масляный 36 6 403552 4566693784 В37714821 Корпус масляного насоса 37 6 223963 Шарик 13,494 mm IV БДС 4885-75 39 6 403068 4566692631 В31742132 Пружина 40 6 418284 4566692142 В33525051 Винт регулирующий 41 6 233480 Шплинт 3,2х32 БДС 55-77 42 6 468808 4566692622 В32163073 Пробка 43 6 446541 4566693378 В32142203 Болт 44 6 433008 4566694230 В33156231 Шайба предохранительная 45 8 429168 4566692421 В41115025 Шестерня промежуточная 47 6 445676 4566692142 URB31134102 Втулка 48 6 234208 Кольцо Е12х1,2 БДС 9227-71 54 8 437144 4566692847 В34711195 Трубопровод масляный 55 6 461067 4566693799 В34711130 Труба 56 6 418102 4566692221 В33532121 Гайка упорная 57 6 419256 4566692984 В33171085 Уплотнение коническое 58 6 432295 4566692932 36831108 Уплотнение 59 6 236402 Болт А1 М6х18-6.8 БДС 1230-85/фос. 60 6 239316 Шайба 2-6Л БДС 833-82/Zn 66 6 480382 4566693766 В37221161 Крышка масляной ванны 67 6 480405 4566694236 В36844161 Уплотнение 68 6 481164 4566693379 В32142271 Болт 69 6 239527 Болт А1 М8х22-8.8 БДС 1232-86/Zn 70 6 205035 Шайба 2-8Л БДС 833-82/Zn

ID101128712
Переглядів20
с. Жильжа, Рівненська обл.

Схожі оголошення

Дивитись усі
Запчастини Дойц, Deutz 913, 1013, 1011, 2013
Продаж

Запчастини Дойц, Deutz 913, 1013, 1011, 2013

Запчастини Дойц, Deutz 913, 1013, 1011, 2013, 2012 У нас можна купити: гільзо-поршнева група (поршні, гільзи, кільця); вкладиші корінні і шатунні; водяні насоси і термостати; генератори і стартери; клапана і направляючі; корзини і диски зчеплення; прокладки двигуна; турбіни і компресори; шатуни і втулки; ремкомплекти і фільтри. Доставка запчастин перевізниками в усі регіони країни.

м. Тернопіль, Тернопільська обл. 08-02-26
5 450 грн.
м. Тернопіль, Тернопільська обл. 08-02-26
Запчастини Deutz 913, 1013, 1011, 2013
Продаж

Запчастини Deutz 913, 1013, 1011, 2013

Запчастини двигуна Дойц, Deutz 913, 1013, 1011, 2013, 2012 У нас можна купити: гільзо-поршнева група (поршні, гільзи, кільця); вкладиші корінні і шатунні; водяні насоси і термостати; генератори і стартери; клапана і направляючі; корзини і диски зчеплення; прокладки двигуна; турбіни і компресори; шатуни і втулки; ремкомплекти і фільтри. Доставка запчастин перевізниками в усі регіони країни.

м. Луцьк, Волинська обл. 08-02-26
2 650 грн.
м. Луцьк, Волинська обл. 08-02-26
Запчастини Mercedes OM 364, OM 366, OM 904, OM 906
Продаж

Запчастини Mercedes OM 364, OM 366, OM 904, OM 906

Запчастини двигуна Mercedes OM 314, OM 352, OM 364, OM 366, OM 904, OM 906 У нас можна купити: гільзо-поршнева група (поршні, гільзи, кільця); вкладиші корінні і шатунні; водяні насоси і термостати; генератори і стартери; клапана і направляючі; корзини і диски зчеплення; прокладки двигуна; турбіни і компресори; шатуни і втулки; ремкомплекти і фільтри. Доставка запчастин перевізниками в усі регіони країни.

м. Житомир, Житомирська обл. 08-02-26
2 985 грн.
м. Житомир, Житомирська обл. 08-02-26
Запчастини для DAF, MAN, Mercedes, Renault Truck
Продаж

Запчастини для DAF, MAN, Mercedes, Renault Truck

Запчастини для DAF, MAN, Mercedes, Renault Truck, Iveco, Volvo, Scania У нас можна купити: гільзо-поршнева група (поршні, гільзи, кільця); вкладиші корінні і шатунні; водяні насоси і термостати; гальмівні диски і колодки; генератори і стартери; клапана і направляючі; корзини і диски зчеплення; маточини і синхронізатори; наконечники і рульові тяги; прокладки двигуна; турбіни і компресори; шатуни і втулки; шестерні кпп і хрестовини. Доставка запчастин перевізниками в усі регіони країни.

м. Житомир, Житомирська обл. 08-02-26
985 грн.
м. Житомир, Житомирська обл. 08-02-26
Вашу скаргу надіслано
Повторно оголошення можна буде прорекламувати коли закінчиться дія вашого поточного пакета
Повідомлення відправлене